SU-63T 烧录与调试 FAQ¶
本页用于整理 SU-63T 相关的烧录与调试问题。
设备识别与连接¶
SU-63T使用UniOne蜂鸟M烧录工具无法识别设备怎么办?¶
问题描述:
在使用云知声UniOne蜂鸟M烧录工具为SU-63T模块烧录固件时,设备无法被识别,烧录程序卡在'等待设备..'状态,且更换USB口后问题依旧。
解决方案:
问题分析:
- 使用了错误名称的烧录器(杰里而非杰理)
- SU-63T需要使用专用的杰理烧录器
- 云知声UniOne蜂鸟M烧录工具可能不兼容SU-63T
正确烧录方法:
-
使用杰理烧录器
- 确认购买的是"杰理烧录器"而非"杰里烧录器"
- SU-63T模块必须搭配杰理烧录器使用
- 通过商品详情确认烧录器要求
-
烧录器连接
- 将SU-63T模块连接到杰理烧录器
- 烧录器通过USB连接电脑
- 确认物理连接良好
-
烧录软件选择
- 使用杰理专用烧录软件
- 或使用云知声工具但搭配杰理烧录器
- 确保软件与烧录器匹配
操作步骤:
- 连接杰理烧录器和模块
- 打开烧录软件
- 选择正确的固件文件
- 断开模块电源
- 点击烧录后重新上电
注意事项:
- SU-63T的烧录方式与其他型号不同
- 必须使用专用烧录器,普通USB转串口无效
- 烧录器名称容易混淆,购买时务必确认
- 正常烧录不会长时间等待设备
SU-63T使用CH340驱动后设备无法被识别怎么办?¶
问题描述:
在安装CH340驱动后,将SU-63T模块连接到电脑时无法被识别,且没有任何报错信息,导致无法完成烧录操作。
解决方案:
-
检查CH340驱动安装
- 确认CH340驱动已正确安装
- 在设备管理器中查看端口(COM和LPT)下是否显示CH340设备
- 如果显示未知设备或带有感叹号,需要重新安装驱动
-
驱动安装步骤
- 下载官方CH340驱动安装包
- 右键以管理员身份运行安装程序
- 安装完成后重新插拔USB设备
- 检查设备管理器确认COM端口号
-
连接测试
- 确认SU-63T模块通过正确的烧录器连接
- 使用质量良好的USB线缆
- 尝试更换电脑的USB端口
- 避免使用USB集线器,直接连接主板USB口
-
故障排查
- 如果驱动安装正常但仍无法识别,检查硬件连接
- 尝试在其他电脑上测试,排除电脑系统问题
- 确认烧录器工作正常,指示灯有响应
注意事项:
- CH340驱动在某些Windows系统可能需要禁用驱动签名强制
- 建议使用官方提供的CH340驱动,避免使用第三方驱动
- 完成驱动安装后需要重启电脑以确保驱动生效
SU-63T在使用云知声UniOne蜂鸟M烧录工具时设备连接不稳定怎么办?¶
问题描述:
在使用云知声UniOne蜂鸟M烧录工具时,设备已连接但无法识别,且在轻微触碰语音模块时会出现设备状态异常的情况。
解决方案:
1. 连接稳定性检查
- USB接触问题:USB接口接触不良会导致断连
- 供电稳定性:供电问题可能导致串口驱动掉载
- 物理连接:确保所有连接牢固无松动
2. 故障排查步骤
-
检查USB线缆:
- 确认USB线质量良好
- 更换不同USB线尝试
- 避免使用过长的USB线
-
验证USB端口:
- 尝试电脑的不同USB端口
- 避免使用USB集线器
- 直接连接到主板USB端口
-
确认烧录器状态:
- 检查烧录器指示灯是否正常
- 重新插拔烧录器连接
- 确认烧录器驱动已安装
3. 解决方案
-
稳定连接:
- 确保USB接口完全插入
- 避免烧录过程中移动设备
- 使用支撑物固定连接位置
-
供电改善:
- 使用电脑背面USB端口(供电更稳定)
- 避免供电不足的USB扩展口
- 必要时使用外部供电
4. 测试验证
- 连接成功后观察设备状态
- 轻微触碰测试连接稳定性
- 确认烧录工具能正常识别
注意事项:
- USB接口的物理接触直接影响连接稳定性
- 烧录过程中避免任何物理干扰
- 如问题持续,可能是烧录器硬件故障
- 建议使用原装或质量可靠的USB连接线
问题描述:
在使用云知声UniOne蜂鸟M烧录工具为SU-63T模块烧录固件时,设备无法被识别,烧录程序卡在'等待设备..'状态,且更换USB口后问题依旧。
解决方案:
问题分析:
- 使用了错误名称的烧录器(杰里而非杰理)
- SU-63T需要使用专用的杰理烧录器
- 云知声UniOne蜂鸟M烧录工具可能不兼容SU-63T
正确烧录方法:
-
使用杰理烧录器
- 确认购买的是"杰理烧录器"而非"杰里烧录器"
- SU-63T模块必须搭配杰理烧录器使用
- 通过商品详情确认烧录器要求
-
烧录器连接
- 将SU-63T模块连接到杰理烧录器
- 烧录器通过USB连接电脑
- 确认物理连接良好
-
烧录软件选择
- 使用杰理专用烧录软件
- 或使用云知声工具但搭配杰理烧录器
- 确保软件与烧录器匹配
操作步骤:
- 连接杰理烧录器和模块
- 打开烧录软件
- 选择正确的固件文件
- 断开模块电源
- 点击烧录后重新上电
注意事项:
- SU-63T的烧录方式与其他型号不同
- 必须使用专用烧录器,普通USB转串口无效
- 烧录器名称容易混淆,购买时务必确认
- 正常烧录不会长时间等待设备
SU-63T V1.1支持小程序连接吗?¶
问题描述:
SU-63T V1.1型号无法通过小程序搜索到设备进行设置。
解决方案:
-
版本差异说明:
- SU-63T V1.1可能不支持小程序功能
- 小程序连接通常需要特定的硬件版本
- 需要确认产品是否支持蓝牙/WiFi功能
-
设置方式:
- 使用专用烧录器进行固件更新
- 通过串口连接电脑进行配置
- 使用官方提供的配置工具
注意事项:
- 不是所有SU-63T版本都支持小程序
- 确认设备型号和版本号
- 如需小程序功能,购买时确认规格
- 可联系技术支持确认功能支持情况
SU-63T模块如何进行固件烧录?¶
SU-63T模块如何进行固件烧录?¶
问题描述:
刚收到SU-63T模块,希望了解如何烧录固件,但不确定如何操作,特别是如何使用杰理烧录器和选择正确的固件文件。
解决方案:
烧录器确认:
-
必须使用杰理烧录器:
- SU-63T是杰理芯片方案,必须使用专用的杰理USB烧录器
- 不能使用普通的CH340等USB转串口工具
- 杰理烧录器上有专门的USB接口用于连接
-
烧录器接口说明:
烧录步骤:
-
连接硬件:
- 将SU-63T模块通过USB线连接到杰理烧录器
- 烧录器连接到电脑的USB口
- 电脑会识别到新的USB设备
-
启动烧录软件:
- 打开杰理烧录软件(如JL USB Updater)
- 软件会自动识别连接的SU-63T模块
- 确认设备识别正常
-
选择固件文件:
- 在软件中加载需要烧录的固件文件
- 通常为.bin格式
- 确认固件版本与SU-63T匹配
-
执行烧录:
- 点击烧录按钮开始烧录过程
- 等待进度条完成
- 烧录成功后模块会自动重启
固件获取:
-
出厂固件:
- 技术支持会提供SU-63T出厂固件
- 包含基础功能和演示程序
- 适合初次测试使用
-
自定义固件:
- 登录智能公元平台
- 创建新项目并选择SU-63T模块型号
- 配置语音指令和控制逻辑
- 生成并下载自定义固件
注意事项:
- SU-63T的烧录方式与CI系列不同,必须使用杰理专用烧录器
- 烧录前确保模块已正确连接到烧录器
- 固件文件必须是未压缩的.bin格式
- 烧录过程中不要断开连接
- 如烧录失败,重新尝试前先复位模块
添加蓝牙信号强度控制导致SU-63T固件生成失败怎么办?¶
问题描述:
在小程序平台中添加"获取蓝牙信号强度"的控制逻辑后,导致SU-63T固件生成失败。去掉该功能后固件可以正常生成。
解决方案:
问题分析:
-
功能兼容性问题:
- SU-63T当前固件版本可能不支持蓝牙信号强度检测功能
- 该功能与现有固件架构存在冲突
- 需要等待固件版本更新支持
-
生成时间过长:
- SU-63T固件生成本身较慢,通常需要30分钟或更长时间
- 添加复杂功能会进一步延长生成时间
- 可能误判为生成失败
临时解决方案:
-
移除问题功能:
- 暂时从配置中移除"获取蓝牙信号强度"功能
- 先完成其他功能的配置和测试
- 等待固件更新支持该功能
-
分步骤测试:
- 先生成基础功能固件进行测试
- 确认基础功能正常后再逐步添加新功能
- 每添加一个功能就生成一次测试
-
联系技术支持:
- 向技术支持反馈该功能兼容性问题
- 询问是否有支持蓝牙信号检测的固件版本
- 获取该功能的正确配置方法
注意事项:
- SU-63T固件生成时间较长,需要有足够耐心等待
- 不是所有功能都兼容当前固件版本
- 建议在项目初期就测试所有需要的功能
- 保留功能配置,等待固件更新后重新生成
SU-63T模块支持哪些烧录方式?¶
SU-63T模块仅支持专用烧录器烧录:
- 杰理烧录器:必须使用杰理专用烧录器进行固件烧录
- 不支持串口烧录:该模块无法通过串口方式烧录固件
烧录器连接方式:
-
USB转接板连接:
- 烧录器通过USB连接电脑
- 通过专用转接板连接SU-63T模块
- 转接板提供USB转接和串口通信功能
-
购买渠道:
- 淘宝官方店铺:(请联系官方渠道获取支付方式)
- 选择包含烧录器套装的选项
- 确认购买的是杰理专用烧录器
烧录连接说明:
- VBUS:USB供电
- D-、D+:USB数据线
- GND:接地
- UART1_TX/RX:串口通信(用于调试)
- SPK+/SPK-:音频输出
- VCC:电源输入
烧录器接口说明:
烧录器顶部的USB接口功能:
- 接口类型:标准USB接口
- 功能用途:连接串口烧录线(TX、RX、VCC、GND)
- 转接功能:将USB信号转换为串口通信
- 包含在套装中:购买烧录器套餐包含此USB转接板
使用方式:
- 烧录器通过USB连接电脑
- USB转接板提供串口接口
- 通过排线连接到SU-63T模块
- 实现固件烧录功能
注意事项:
- 必须使用杰理原厂烧录器,不支持第三方工具
- 烧录时需要配合专用烧录软件
- 不支持串口直连烧录方式
- 购买时确认套装包含所需转接板
- USB转接板是套餐标配,无需额外购买

SU-63T固件烧录失败、蓝牙配对异常及唤醒无响应怎么办?¶
问题描述:
使用SU-63T模块时,可能出现固件烧录成功但蓝牙配对失败、语音唤醒功能不响应以及功放使能脚电平异常等问题。
解决方案:
1. 烧录问题排查
- 烧录器选择:必须使用杰理专用烧录器,通用USB转串口设备无法烧录
-
正确接线:
- VCC→VBUS(电源正极)
- RX→D-(数据负极)
- TX→D+(数据正极)
- GND→GND(电源地线)
- 供电要求:烧录时使用4.12V电源供电

2. 蓝牙配对失败
- 重新上电:断电后重新上电尝试配对
- 设备名称:搜索设备名称为'SU_63T_XXXX(BLE)'的设备
- 避免干扰:配对时远离其他蓝牙设备
3. 语音唤醒无响应
-
检查麦克风电路:
- 测量麦克风两端电压,应有2.4V左右
- 确认麦克风GND连接良好
- 必要时在麦克风电路增加电容
- 检查固件配置:确认唤醒词已正确配置
4. 功放使能脚(SPK_SD)电平异常
- 电平逻辑:功放为低电平使能,播放时为低电平,静音时为高电平
- GPIO配置:确保SPK_SD(GPIO17)未配置为串口功能
- 配置方法:在平台中将GPIO17设置为默认低电平输出模式

5. 避免开机播报被打断
- 延时配置:将"打开蓝牙"操作延时设置为8000ms
- 目的:等待开机播报完成后再开启蓝牙功能
- 调整方法:在系统控制配置中设置延时时间

6. GPIO配置注意事项
- PB9/PB10引脚:这两个引脚默认用于PWM输出,不应配置为串口
- UART2配置:如需使用串口,应选择其他可用引脚
- 重新生成:修改配置后必须重新生成并烧录固件


注意事项:
- 烧录路径不能包含中文字符
- 固件文件应使用jx_su_63t_release.fw
- SDK生成时间较长(60-180分钟),SU系列相对较慢是正常现象
- 如需快速生成,可搭建本地开发环境自行编译
USB烧录器无法识别设备怎么办?¶
问题描述:
使用USB烧录器下载固件时,遇到"无法识别的USB设备"错误提示,且更换USB接口和重启电脑后问题依旧存在。
解决方案:
问题排查:
- 驱动安装:确认杰理烧录器驱动已正确安装
- USB接口:尝试不同的USB接口(USB2.0/3.0)
- 连接检查:确认烧录器与模块连接牢固
-
模块状态:
- 检查模块是否已损坏
- 确认引脚连接正确(非第一脚)
- 避免模块过热时烧录
解决方法:
- 更换烧录器:尝试使用另一个正常的烧录器
- 重新安装驱动:卸载后重新安装官方驱动
-
检查模块:
- 使用能正常烧录的模块测试
- 确认硬件连接无误
- 如模块损坏需要更换
预防措施:
- 烧录前检查所有连接
- 避免热插拔烧录器
- 使用官方提供的烧录工具
SU-63T模块是否有硬件评估板?¶
SU-63T模块可通过转接板进行评估测试:
评估套件组成:
- 模块本体
- 转接板(已焊接必要器件)
- 专用烧录器(需单独购买)
- 完整技术资料包
烧录要求:
- 只能使用专用烧录器进行固件烧录
- 烧录时需要配合专用烧录软件
- 按照接线图正确连接模块、转接板和烧录器
测试配置:
- 可外接麦克风进行语音输入测试
- 可连接喇叭播放语音回复
- 支持蓝牙功能测试(需配合手机APP)


获取方式:
- 可直接通过淘宝购买包含模块、转接板的套装(价格请联系官方客服评估)
-
购买后可获得完整的技术资料包,包含:
- 模块规格书
- 芯片资料手册
- 烧录软件工具
- 相关测试固件
- 接线原理图
注意事项:
- 烧录器为必备工具,无法用其他方式替代
- 转接板方便初期评估,量产时需设计自有底板
- 评估时建议使用5V稳定电源供电
购买模块时应该选择哪种版本?¶
如果用户已有咪头和喇叭,建议购买已焊接排针的模块版本,这样可以直接使用,无需额外焊接
烧录时提示"设备存储容量不足,1M < 2M"怎么办?¶
问题描述:
使用烧录软件烧录固件时,出现错误提示"错误:设备存储容量不足,1M < 2M",导致烧录失败。
解决方案:
问题原因:
-
固件大小超出限制:
- 目标模块Flash容量只有1M
- 待烧录固件大小为2M
- 固件体积超出了硬件存储上限
-
硬件不匹配:
- 可能选择了错误型号的固件
- SU-63T可能有不同容量版本
- 需要确认模块具体规格
解决方法:
-
确认模块型号:
- 检查模块上的丝印标识
- 确认是否为1M容量版本
- 联系供应商确认规格参数
-
使用正确固件:
- 生成1M容量版本的固件
- 或选择更大容量的模块型号
- 确保固件与硬件匹配
-
固件优化:
- 删减非必要功能
- 减小音频文件大小
- 使用组合播报功能
注意事项:
- 烧录前务必确认固件版本与模块型号匹配
- 1M容量的模块无法烧录2M的固件
- 如需大容量功能,请选用相应规格的模块
SU-63T小程序中无法修改语音指令怎么办?¶
问题描述:
在使用SU-63T小程序时,发现无法修改语音指令,尝试删除或修改指令均无效。
解决方案:
- 网络环境检查:可能是网络卡顿导致操作失败,建议切换网络后重试
- 操作时间限制:修改操作一般不超过5分钟,超时则说明操作失败
- 指令数量限制:SU-63T最多支持50条指令,超过限制无法添加
- 使用出厂固件:烧录标准出厂固件测试,确认是否为固件问题
操作步骤:
-
网络切换测试
- 切换到稳定的网络环境
- 关闭小程序重新打开
- 重新尝试修改指令
-
指令数量检查
- 查看当前指令总数
- 如超过50条,先删除部分指令
- 确保总数在限制范围内
-
恢复出厂设置
- 烧录出厂固件进行测试
- 确认基础功能是否正常
- 重新配置需要的指令
注意事项:
- 修改指令时保持网络连接稳定
- 避免在指令数量达到上限时操作
- 如问题持续存在,可能是云之声服务器API对接问题
- 建议保存配置备份,避免数据丢失
SU-63T不能使用CH340烧录吗?¶
问题描述:
尝试使用CH340串口工具烧录SU-63T模块,按照接线图连接但烧录失败。
解决方案:
-
烧录器要求:
- SU-63T必须使用专用烧录器(黑色JL USB Updater)
- CH340等普通串口工具无法识别杰理芯片
- 专用烧录器通过特定协议与芯片通信
-
烧录步骤:
- 使用专用烧录器连接SU-63T
- 打开固件升级工具(版本1.4.5)
- 添加固件文件
- 按下烧录器上的按键
- 开始烧录过程
注意事项:
- 专用烧录器是杰理芯片的必备工具
- 接线必须按照官方提供的烧录接线图
- 烧录失败时检查是否使用了正确的烧录器


SU-63T烧录器插入电脑无反应?¶
问题描述:
SU-63T专用烧录器插入电脑后,在设备管理器中无法识别到设备。
解决方案:
-
识别检查:
- 正常识别时设备管理器会显示"EA"设备(便携设备下)
- 如无识别,尝试按下烧录器上的按键
- 检查USB接口是否接触良好
-
烧录软件状态:
- 正确连接后烧录软件显示设备状态为"ONLINE"
- 设备PID/VID会正确显示
- 添加固件后可开始烧录
-
故障处理:
- 尝试更换电脑USB接口
- 排除USB集线器,直连主板
- 如仍无法识别可能是烧录器故障
注意事项:
- 烧录器需要按下按键才能被识别
- USB拓展坞建议只保留烧录器,避免设备冲突
- 多台电脑都无法识别时,考虑更换烧录器
SU-63T烧录器连接后烧录失败?¶
问题描述:
烧录器连接电脑后在固件升级工具中显示为"ONLINE",但烧录过程在94%左右失败。
解决方案:
-
接线检查:
- 对照官方烧录接线图确认连接
- 重点检查VBUS、PWR、D+、D-等关键引脚
- 确保连接牢固无松动
-
烧录步骤:
- 添加固件到烧录工具
- 按下烧录器上的按键
- 等待设备识别
- 开始烧录过程
-
故障排查:
- 尝试使用不同的USB线
- 检查电脑USB口供电能力
- 重新插拔烧录器连接
注意事项:
- 烧录过程中不要移动设备
- 94%失败通常是通信或供电问题
- 建议使用电脑后置USB接口
SU-63T烧录器插入电脑无反应?¶
问题描述:
SU-63T专用烧录器插入电脑后,在设备管理器中无法识别到设备。
解决方案:
-
识别检查:
- 正常识别时设备管理器会显示"EA"设备(便携设备下)
- 如无识别,尝试按下烧录器上的按键
- 检查USB接口是否接触良好
-
烧录软件状态:
- 正确连接后烧录软件显示设备状态为"ONLINE"
- 设备PID/VID会正确显示
- 添加固件后可开始烧录
-
故障处理:
- 尝试更换电脑USB接口
- 排除USB集线器,直连主板
- 如仍无法识别可能是烧录器故障
注意事项:
- 烧录器需要按下按键才能被识别
- USB拓展坞建议只保留烧录器,避免设备冲突
- 多台电脑都无法识别时,考虑更换烧录器
SU-63T烧录器连接后烧录失败?¶
问题描述:
烧录器连接电脑后在固件升级工具中显示为"ONLINE",但烧录过程在94%左右失败。
解决方案:
-
接线检查:
- 对照官方烧录接线图确认连接
- 重点检查VBUS、PWR、D+、D-等关键引脚
- 确保连接牢固无松动
-
烧录步骤:
- 添加固件到烧录工具
- 按下烧录器上的按键
- 等待设备识别
- 开始烧录过程
-
故障排查:
- 尝试使用不同的USB线
- 检查电脑USB口供电能力
- 重新插拔烧录器连接
注意事项:
- 烧录过程中不要移动设备
- 94%失败通常是通信或供电问题
- 建议使用电脑后置USB接口





SU-63T烧录时无反应怎么办?¶
问题描述:
使用VLink2 Lite烧录器为SU-63T芯片烧录固件时,烧录程序无反应。
解决方案:
- SU-63T需要使用专用的黑色烧录器
- VLink2 Lite烧录器不适用于SU-63T芯片
- 联系供应商购买SU-63T专用烧录器
- 如需批量烧录,可委托供应商进行批量烧录服务
注意事项:
- 不同型号的语音模块使用不同的烧录器
- 购买模块时确认对应的烧录器型号
- 第三方烧录器可能不兼容,建议使用原厂配件
- 批量生产建议考虑烧录效率和成本



串口引脚配置为普通IO是否会影响芯片烧录?¶
问题描述:
将串口引脚配置为普通IO功能,担心是否会影响芯片的烧录功能。
解决方案:
- 串口引脚配置为普通IO后,仅影响日志输出功能
- 不会影响芯片的烧录功能
- SU-63T模块的烧录逻辑独立于串口配置
注意事项:
- 配置完成后仍可正常进行固件烧录
- 仅调试时的串口日志输出会受到影响
- 烧录时仍需按照标准烧录流程操作
SU-63T下载固件时提示存储空间不足怎么办?¶
问题描述:
SU-63T设备在下载固件时提示存储空间不足(1M < 2M),导致升级失败。
解决方案:
-
问题原因:
- 开启了自学习功能会占用大量存储空间
- 自学习功能存储用户录入的语音数据
- 导致可用空间不足以下载新固件
-
解决步骤:
- 在智能公元平台关闭自学习功能
- 重新生成固件
- 再次尝试下载固件到设备
注意事项:
- 自学习功能占用空间很多,如非必要建议关闭
- 关闭自学习后可释放大量存储空间
- 固件大小通常为2M左右,需要足够空间

SU-63T烧录时选择了错误芯片型号怎么办?¶
问题描述:
在使用固件升级程序时,因选择错误的芯片型号(如SU-03)导致固件烧录失败。
解决方案:
问题定位:
-
型号混淆原因:
- SU-63T与SU-03T型号名称相似,容易混淆
- 固件管理界面中多个型号选项并列
- 未仔细核对模块丝印确认型号
-
确认正确型号:
- 检查模块上的丝印标识
- 确认为SU-63T而非SU-03T
- 对应选择SU-63T的固件文件
正确烧录步骤:
-
选择正确固件:
- 在固件管理界面找到SU-63T对应的固件
- 确认固件文件名包含"su_63t"
- 如:jx_su_63t_release.fw
-
使用正确烧录器:
- SU-63T必须使用杰理专用烧录器
- 普通USB转TTL模块无法烧录SU-63T
-
执行烧录:
- 连接SU-63T到专用烧录器
- 在烧录软件中选择正确的固件文件
- 完成烧录过程
预防措施:
- 烧录前务必核对模块型号
- 保存固件时按型号分类管理
- 建立烧录记录,避免重复错误
- 贴标签区分不同型号的模块


注意事项:
- SU-63T和SU-03T使用不同的烧录器
- 型号错误会导致烧录完全失败
- 即使固件生成成功,选错型号也无法使用
- 建议在模块上做标记以便识别
SU-63T可以使用USB转TTL烧录器吗?¶
问题描述:
询问一个USB转TTL的烧录器是否可以用于烧录SU-63T芯片,同时反映在连接后烧录软件的升级按钮无法点击。
解决方案:
烧录器兼容性:
-
专用烧录器要求:
- SU-63T必须使用专用的杰理烧录器
- 普通USB转TTL模块无法烧录SU-63T
- 两个系统不兼容
-
烧录器区别:
- USB转TTL:用于通用串口通信,不支持杰理芯片协议
- 杰理烧录器:专用工具,通过特定协议与SU-63T通信
正确烧录方案:
-
购买专用烧录器:
- 通过官方渠道购买杰理烧录器
- 淘宝链接:(请联系官方渠道获取支付方式)&skuId=5111500846726
- 确认烧录器型号与SU-63T兼容
-
烧录操作步骤:
- 连接SU-63T到专用烧录器
- 烧录器通过USB连接电脑
- 使用杰理烧录软件进行操作
-
替代方案:
- 批量生产时可联系厂家提供烧录服务
- 购买预烧录好的模块
- 避免自行烧录的成本和技术门槛
常见问题说明:
- 升级按钮无法点击:使用了不兼容的烧录器导致
- 设备无法识别:USB转TTL无法与SU-63T建立通信
- 接线无反应:即使正确连接RX/TX也无法工作
注意事项:
- SU-63T的烧录接口为专用接口,不是标准串口
- 不要尝试使用CH340等普通USB转串口工具
- 专用烧录器投资需要根据项目规模评估
- 如需频繁烧录,建议购买原厂烧录器
SU-63T如何进行批量烧录?¶
问题描述:
需要了解SU-63T模块的批量烧录服务,包括起订量、烧录流程和是否支持多种固件同时烧录。
解决方案:
批量烧录服务说明:
-
起订量要求
- 100个起提供批量烧录服务
- 100个以下需要自行烧录
- 散装模块不支持批量烧录
-
样品烧录服务
- 送样时可提供预烧录程序服务
- 样品收到后可直接测试使用,无需自行烧录
- 需在申请样品时说明固件需求
-
烧录流程
- 提供固件包给厂家
- 厂家在出货前完成烧录
- 收到后可直接使用
-
固件要求
- 只能烧录同一种类型的固件
- 不能同时烧录多种不同配置的固件
- 每种固件需要单独批量烧录
自行烧录建议:
-
小批量处理
- 100个以下需自行烧录
- 购买专用烧录器进行操作
- 建议预留烧录时间和人力成本
-
烧录器准备
- 使用SU-63T专用杰理烧录器
- 准备稳定的烧录环境
- 建议配置多个烧录器提高效率
-
分批策略
- 如需多种固件,分批采购
- 每批使用相同固件配置
- 标记区分不同固件的模块
注意事项:
- 批量烧录服务免费(100个起)
- 提前沟通好固件版本和配置
- 确保固件文件正确且完整
- 留出足够的生产和交付时间
SU-63T开机语音播报不稳定怎么办?¶
问题描述:
SU-63T模块通电后,自定义的开机语音有时能正常播报,有时却无法播报,导致开机语音不稳定。
解决方案:
1. 问题原因分析
- 使用CH340等USB转串口模块供电可能导致灌电流
- 灌电流会影响模块正常复位
- 复位不完整导致开机语音无法正常触发
2. 解决方法
- 拔插电源线:完全断开电源重新上电
- 拔插地线:通过断开地线实现彻底复位
- 使用专用电源:避免使用CH340的USB供电
3. 操作步骤
- 断开所有电源连接
- 等待2-3秒让电容完全放电
- 重新连接电源
- 测试开机语音是否正常播报
注意事项:
- 问题主要出现在使用CH340连接时
- 正常的电源供电(如适配器)不会有此问题
- 如频繁出现,建议检查电源质量
- 340芯片可能需要拔插USB线来断电
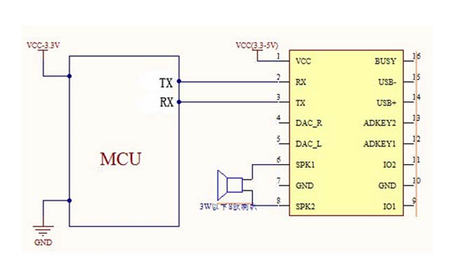
SU-63T进行串口通信时应该使用哪个接口?¶
问题描述:
在进行串口通信配置时,发现提供的电路图与实际模块不符,需要确认正确的串口通信接口和配置参数。
解决方案:
1. 串口接口选择
- SU-63T模块应使用UART2接口进行串口通信
- 不是UART1接口,注意区分
- 确认硬件连接使用正确的UART端口
2. 通信参数配置
- 波特率:9600
- 数据位:8位
- 停止位:1位
- 校验位:无
3. 硬件连接说明
基本连接:
- VCC:3.3V电源
- GND:地线
- TXD:发送数据(模块发送)
- RXD:接收数据(模块接收)
音频输出:
- SPK1、SPK2:扬声器输出
4. 注意事项
- 确认使用UART2而非UART1
- 电压电平必须为3.3V
- 不要使用5V电平,可能损坏模块
- 如需固件微调,可联系技术支持

SU-63T的串口引脚如何正确配置?¶
问题描述:
在天问平台配置SU-63T模块引脚时,误用了UART1的烧录和日志引脚,导致无法正常通信,需要了解正确的引脚配置方法。
解决方案:
1. 错误引脚说明
- UART1_TX和UART1_RX:这是烧录和日志输出引脚
- 不是用于常规串口通信
- 使用这些引脚会影响日志调试功能
2. 正确引脚配置
可用串口引脚:
- PA0:可配置为UART1_RX
- PA1:可配置为UART1_TX
- UART2_RX和UART2_TX:UART2专用引脚
平台配置方法:
-
选择引脚
- 点击PA0引脚
- 配置为UART1_RX功能
- 点击PA1引脚
- 配置为UART1_TX功能
-
避免错误配置
- 不要使用UART1的TX/RX引脚
- 注意区分物理引脚和功能名称
- 天问平台的封装引脚号与实际模块可能不同
3. 天问平台注意事项
- 天问平台的引脚定义与SU-63T实际引脚不同
- 需要对照模块引脚图进行配置
- PB5和PB6不是串口通信引脚
4. 引脚功能对比
| 引脚 | 功能 | 用途 |
|---|---|---|
| UART1_TX/UART1_RX | 烧录和日志 | 调试专用 |
| PA0/PA1 | 可配置串口 | 通用通信 |
| UART2_RX/UART2_TX | UART2专用 | 串口通信 |
注意事项:
- 配置前务必确认引脚功能
- 保留日志引脚用于后续调试
- 不同平台的引脚定义可能不同
- 如有疑问及时确认技术文档


如何确认SU-63T固件文件的正确性?¶
问题描述:
需要确认SU-63T固件文件jx_su_63t_release.fw是否正确,并提交给技术支持进行代烧录。
解决方案:
1. 固件文件确认
- 文件位置:固件文件通常位于解压后的固件包中
- 文件名称:SU-63T的固件文件通常命名为jx_su_63t_release.fw
- 文件格式:确保是.fw格式的固件文件
2. 文件完整性验证
-
使用哈希值验证:
- MD5: 2394722b1a00c8acbbc60b14715cc9ce
- 可使用Hasher Lite等工具计算文件哈希值
- 对比计算结果确认文件完整性


3. 代烧录服务
-
提交固件:
- 将确认无误的固件文件发送给技术支持
- 可直接发送.fw文件,无需压缩包
- 注明固件版本和配置信息
-
固件信息确认:
- 开机播报:无
- 唤醒词:开机
- 回复语:我在
- MD5校验值:2394722b1a00c8acbbc60b14715cc9ce
注意事项:
- 提交前务必确认固件文件完整性
- 保留固件配置信息的详细记录
- 如有特殊需求,请在提交时说明
- 代烧录服务通常需要1-2个工作日
SU-63T使用杰理烧录器无法识别怎么办?¶
问题描述:
使用杰理烧录器烧录SU-63T模块时,烧录器无法识别到模块。
解决方案:
-
烧录器兼容性:
- SU-63T必须使用专用烧录器
- 不能使用通用烧录器或杰理烧录器
- 需要配合云知声UniOne蜂鸟M烧录器
-
正确操作方法:
- 下载专用SU-63T烧录工具
- 使用官方提供的专用烧录器
- 确保烧录器驱动已正确安装
- 检查USB连接是否牢固
-
故障排查:
- 更换USB端口
- 重新安装烧录器驱动
- 检查模块是否正常上电
- 确认烧录器型号匹配
注意事项:
- SU-63T烧录需要特殊流程
- 不可使用其他型号的烧录器
- 如持续无法识别,联系专业技术人员
SU-63T烧录固件后密码验证不通过怎么办?¶
问题描述:
设备在烧录固件后仍提示密码验证不通过,无法正常连接和使用。
解决方案:
问题原因:
- 设备之前设置了本地密码
- 重新烧录时未完全擦除Flash内容
- 旧的密码数据仍然保留在芯片中
解决方法:
方法一:使用芯片擦除功能
-
在烧录工具中启用Chip Erase:
- Leapfive Flash Environment:设置"Chip Erase"为"True"
- 固件升级程序:勾选"擦除整个FLASH"选项
-
重新烧录固件:
- 启用擦除功能后烧录新固件
- 等待完整擦除和烧录过程完成
- 这会清除包括密码在内的所有旧数据
方法二:烧录后重新配网
-
删除小程序控件:
- 删除手机中的小程序控件
- 清除缓存和数据
- 重新下载并安装
-
重新配网连接:
- 使用默认密码或新密码连接
- 完成设备配网流程
- 测试功能是否正常
操作示例:
- 在固件升级程序1.4.5中勾选"擦除整个FLASH"
- 确保擦除选项已启用后再开始烧录
- 烧录完成后设备恢复出厂状态
注意事项:
- 必须启用完整擦除功能才能清除密码
- 擦除会删除所有数据,包括配置信息
- 烧录后需要重新配置所有功能
- 如忘记密码,擦除是唯一的解决方法


如何使用USB转TTL模块进行烧录?¶
问题描述:
不确定是否可以使用已有的USB转TTL模块进行固件烧录,还是必须购买专用烧录器。
解决方案:
-
模块兼容性:
- CI-03T系列:可以使用USB转TTL模块烧录
- SU-63T:必须使用专用烧录器(特殊情况)
- 其他型号:一般支持USB转TTL方式
-
USB转TTL使用方法:
- 将USB转TTL模块连接到电脑USB口
- 通过杜邦线连接模块的UART引脚(TX、RX、GND、5V)
- 安装CH340或CP2102等驱动程序
- 在设备管理器中确认COM端口号
- 使用烧录工具选择对应COM口进行烧录
-
连接注意事项:
- TX连接RX,RX连接TX(交叉连接)
- 确保共地(GND连接)
- 5V供电线连接到模块电源引脚
- 使用质量良好的杜邦线避免接触不良
注意事项:
- USB转TTL模块比专用烧录器成本低
- SU-63T型号特殊,需要专用调试器烧录
- 烧录时避免使用过长的连接线
- 如果USB转TTL无法识别,检查驱动安装是否正确
SU-63T烧录器无法被电脑识别如何处理?¶
问题描述:
将SU-63T专用的杰理烧录器插入电脑USB接口后,电脑没有任何反应,设备管理器中未显示新增的串口设备,更换电脑和重启后问题依旧存在。
解决方案:
问题分析:
- 杰理烧录器与CH340烧录器不同,不会在电脑中显示串口设备
- SU-63T必须使用专用的杰理烧录器和Hummingbird-B-Production-Tool软件
- 使用错误的烧录软件(如天问Block)会导致无法识别
正确操作步骤:
-
确认烧录器类型
- SU-63T使用的是杰理烧录器(如图所示)
- 该烧录器连接电脑后不会显示串口号
- 红灯常亮、绿灯闪烁表示正常工作状态

-
使用正确的烧录软件
- 使用Hummingbird-B-Production-Tool软件进行烧录
- 不要使用天问Block或其他烧录工具
- 杰理烧录器需要配合专用软件使用

-
烧录流程
- 连接烧录器和SU-63T模块
- 打开Hummingbird-B-Production-Tool软件
- 选择对应的固件文件
- 按照软件提示进行烧录操作
注意事项:
- 杰理烧录器不会在设备管理器中显示串口
- 如果烧录器指示灯正常(红灯亮、绿灯闪),说明硬件无问题
- 确保使用专用的Hummingbird-B-Production-Tool烧录软件
- 不同型号语音模块使用的烧录器可能不同,需按型号选择

SU-63T芯片全部无法烧录如何处理?¶
问题描述:
近期采购的SU-63T芯片在进行烧录时,所有芯片均无法烧录成功。
解决方案:
问题排查步骤:
-
检查烧录器连接
- 确认使用JL USB Updater烧录器
- 检查USB连接是否正常
- 确认烧录器驱动已正确安装
-
检查连接线处理
- 操作人员需正确处理连接线
- 确保排线连接牢固,没有松动
- 检查排线方向是否正确
- 确认所有引脚都正确接触
-
烧录操作验证
- 使用正确的固件文件
- 确认烧录软件版本兼容
- 按照标准流程进行烧录操作
常见问题解决:
- 连接线未正确处理是最常见的烧录失败原因
- 重新插拔并确保连接线固定到位
- 如问题持续,尝试更换连接线或烧录器
注意事项:
- SU-63T对连接质量要求较高,务必确保连接可靠
- 批量烧录前建议先测试单个芯片确认流程
- 保留良好的工作习惯,每次烧录前检查连接状态
固件烧录后如何进行留档管理?¶
问题描述:
需要确认固件烧录的合同信息,并获取已生成的固件文件用于烧录,同时要求对固件进行留档,以确保固件的正确性和完整性。
解决方案:
1. 固件留档内容
必要信息记录:
- 公司名称和项目名称
- 模块型号(如SU-63T、SU-03T)
- 固件文件名和版本
- 开机播报内容
- 唤醒词设置
- 回复语列表
- MD5校验值
留档格式示例:
公司名称:XXX公司
项目名称:智能语音升降机
模块型号:SU-63T-V1.1
固件文件:jx_su_63t_release.fw
开机播报:无
唤醒词:智能沙发/小度小度
回复语:主人我在/有什么可以帮到你/主人请吩咐
MD5:b1ef030104499e5fbd24809ad9955c30
2. MD5校验方法
校验工具:
- 使用Hasher Lite等校验工具
- 支持MD5、SHA1、SHA256等多种算法
- 可验证固件完整性
校验步骤:
- 打开校验工具
- 选择固件文件
- 计算MD5值
- 与留档记录对比
- 确认一致性
3. 合同管理
合同内容:
- 确认开发费用和数量
- 明确技术要求和交付标准
- 双方签字盖章生效
留档建议:
- 扫描件和原件分类保存
- 建立项目档案编号
- 便于后续追溯和查询
注意事项:
- 固件文件必须做好备份
- MD5值是验证文件完整性的重要依据
- 建议建立版本管理系统
- 重要项目建议保留多个备份副本

串口通信调试¶
固件升级时反复卡在升级界面怎么办?¶
问题描述:
使用新生成的固件进行升级时,升级过程会反复进行,一直卡在升级界面,而之前生成的固件可以正常升级。
解决方案:
1. 升级过程分析
- 显示"update success"表示升级已成功
- 反复升级可能是模块自动重启导致
- 升级成功后应取消重复升级选项
2. 操作建议
- 等待进度条完成后,取消"自动重复升级"选项
- 升级成功后立即断开连接
- 如使用旧版烧录工具,建议更新到最新版本
3. 烧录工具更新
- 推荐使用V3.9.5或更新版本
- 新版本修复了重复升级的问题
- 下载地址可联系技术支持获取
注意事项:
- CI-33T和CI-03T暂不支持OTA升级
- 只有SU-63T和JX-12F支持OTA升级功能
- 平台偶尔可能出现配置瑕疵,导致生成固件异常
- 使用最新版烧录工具可避免大部分升级问题

SU-63T使用小程序修改唤醒词后命令顺序错乱怎么办?¶
问题描述:
在手机小程序中修改SU-63T的唤醒词后,模块内的命令词顺序出现反转或错乱。
解决方案:
问题原因:
- 蓝牙建联后,设备消息还未完全获取就点击修改唤醒词
- 操作过快导致配置数据未同步完成
- 小程序与模块通信存在延迟
解决方法:
-
正确操作流程
- 蓝牙连接后等待2-3秒再操作
- 确保设备信息完全加载后再修改
- 修改后等待配置完成确认
-
如已出现错乱
- 返回上一页面重新进入
- 重新连接蓝牙设备
- 再次进行修改操作
注意事项:
- 修改唤醒词和命令词时保持耐心
- 不要在连接建立后立即点击修改
- 修改完成后验证配置是否生效
SU-63T在手机上无法搜索到蓝牙设备怎么办?¶
问题描述:
使用某些品牌(特别是小品牌或杂牌)的手机搜索SU-63T蓝牙设备时,无法找到设备进行连接。
解决方案:
问题原因:
- Android系统要求扫描蓝牙设备时必须开启定位权限
- 部分手机系统的蓝牙扫描策略更严格
- 定位服务未开启导致蓝牙扫描功能受限
解决方法:
-
开启定位权限
- 在手机设置中开启定位服务
- 授予小程序定位权限
- 确保定位功能处于开启状态
-
重新搜索设备
- 打开定位后再进行蓝牙搜索
- 搜索SU_63T_XXXX(BLE)设备
- 连接后可关闭定位(不影响使用)
注意事项:
- 这是Android系统的安全机制要求
- 不同品牌手机对蓝牙扫描的要求不同
- 小米、OPPO等品牌手机必须开启定位
- 连接成功后定位可关闭
SU-63T平台配置界面不显示怎么办?¶
问题描述:
在智能公元平台中打开继承版本的SU-63T项目时,某些配置界面不显示,导致无法进行配置。
解决方案:
问题原因:
- 平台更新后可能存在兼容性问题
- 继承版本的数据未正确加载
- 浏览器缓存问题
解决方法:
-
页面刷新
- 刷新当前页面重新加载
- 清除浏览器缓存后重试
- 使用无痕模式打开
-
版本处理
- 确认是否为继承版本
- 尝试创建新版本而非继承
- 联系技术支持检查平台状态
注意事项:
- 平台更新后可能需要重新登录
- 继承版本有时会直接使用原配置
- 建议在平台更新后等待稳定再操作
SU-63T装在主控板上开机不播报怎么办?¶
问题描述:
SU-63T模块单独测试时开机播报正常,但安装到主控板后开机无播报,语音唤醒功能正常。
解决方案:
问题原因:
- 主控板给语音模块供电的电压或电流不足
- 主控板的上电时序与模块要求不匹配
- 模块在板上的复位过程不完整
解决方法:
-
检查供电
- 测量语音模块供电电压是否稳定
- 确认供电电流满足模块需求(建议500mA以上)
- 检查电源线路是否存在压降
-
检查上电时序
- 确认模块先于主控板上电或同时上电
- 检查复位电路设计
- 必要时增加延时电路
-
独立测试
- 将模块从板上拆下单独测试
- 确认模块本身功能正常
- 排查主控板电路设计
注意事项:
- 语音模块对供电质量要求较高
- 开机播报功能需要足够的电源支持
- 语音唤醒正常不代表播报功能正常
- 建议在主控板上增加独立的滤波电容
SU-63T连接蓝牙音乐时设备重启怎么办?¶
问题描述:
SU-63T模块在打开蓝牙音乐功能并连接蓝牙后,设备出现重启现象。不连接蓝牙时工作正常。
问题原因:
- 固件配置问题:用户自己配置的固件中蓝牙音乐功能配置不当
- 使用了未开启蓝牙音乐功能的例程进行配置
解决方案:
-
使用官方例程固件
- 在官方文档平台下载"蓝牙播放音乐配套固件"
- 该固件已预配置好蓝牙音乐功能,可直接使用
-
检查配置是否正确
- 在平台配置时确认"蓝牙音乐"选项已开启
- 检查配置与固件是否匹配
-
独立供电测试
- 将模块从主控板上拆下,单独供电测试
- 使用稳压电源供电,排除供电不稳定问题
- 如果单独供电正常,说明是主控板供电不足
-
导入官方例程验证
- 在平台导入官方"蓝牙播放音乐"例程
- 重新生成固件并烧录测试
注意事项:
- 蓝牙音乐功能对固件配置要求较高
- 官方例程已验证可正常使用蓝牙音乐功能
- 如果自配固件出现问题,建议先用官方例程对比验证